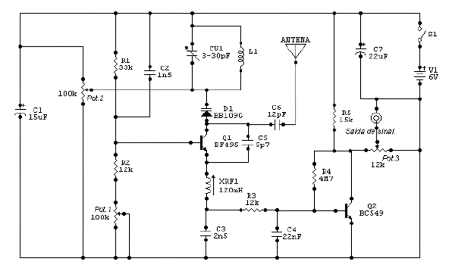
This circuit was sent by reader and collaborator Adriano Muniz Moura from Pirapora – MG. The project presented is used for reception in the FM band (87.9MHz to 109.9MHz) and can be used in conjunction with an audio amplifier and can capture stations located several kilometers away. The base of the circuit is a varicap diode, thus steadying the signal received by the receiver and the antenna used can be any common telescopic type. The resistors used are 1/8 w and the capacitors are for 12v. The power source used can be anything that has good filtering or even AA batteries. The variable capacitor CV1 is a 3-50pF common plastic type and the coil L1 is made up of 5 turns of 18 wire with a 1cm diameter without a core and can be adjusted together with a trimmer (by tightening it). The pot1 and pot2 potentiometers are used to adjust the selectivity of the circuit and for better use of it, its output can be taken to the amplifier. The plate used must be fiberglass for better signal quality.




