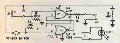
This circuit is from a Popular Electronics from 1992. The circuit powers an LED when triggered.
We found this circuit without bounce in an Elektor from the 90s. The circuit can be used as a...
The circuit shown in the figure consists of a 200mA low voltage drop (LDO) regulator using the...
Hughes suggests this circuit in a 1968 documentation. The circuit uses old transistors that can be...