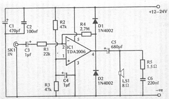
We found this circuit for guitar training in an English documentation from 1989. The components are from the time and the power source must have at least 1 A.

We found this circuit for guitar training in an English documentation from 1989. The components are from the time and the power source must have at least 1 A.
