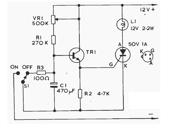
This 12 V incandescent lamp switch with time delay can be found in old documentation. The SCR can be the TIC106 and the transistor and the BC548.

This 12 V incandescent lamp switch with time delay can be found in old documentation. The SCR can be the TIC106 and the transistor and the BC548.
