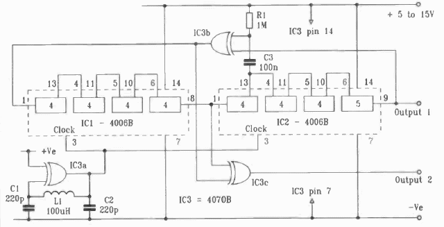
Based on the 4006 this circuit generates random signals in a frequency range that depends on L1 and the associated capacitors.

Based on the 4006 this circuit generates random signals in a frequency range that depends on L1 and the associated capacitors.
