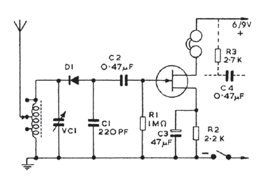
This circuit was obtained from English documentation on FETs. The JFET can be any general purpose and high impedance headphone.

This circuit was obtained from English documentation on FETs. The JFET can be any general purpose and high impedance headphone.
