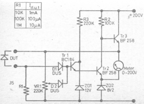
We found this junction tester circuit in an old English documentation. The circuit serves to check the inverse breakdown voltage. The transistors used are high voltage types.

We found this junction tester circuit in an old English documentation. The circuit serves to check the inverse breakdown voltage. The transistors used are high voltage types.
