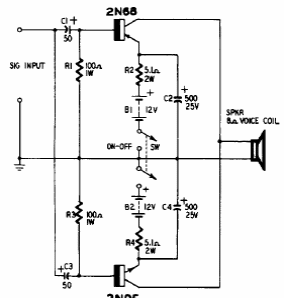
We found this step in an old documentation. The transistors are of the time and the power supply symmetrical.
This circuit allows you to read resistors up to 20 M ohms, converting it into voltage. The circuit is...
The circuit in the figure is a useful continuity test serving to check the condition of circuits and...
This circuit beeps when the sensor is triggered by the opening of the freezer door or other...