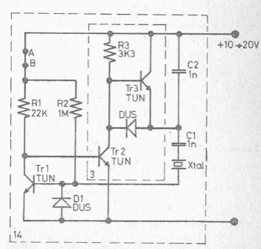
This circuit uses a ceramic transducer to emit ultrasound whose frequency depends on C2. The circuit was found in an English publication from the 80's. The components admit equivalents.

This circuit uses a ceramic transducer to emit ultrasound whose frequency depends on C2. The circuit was found in an English publication from the 80's. The components admit equivalents.
