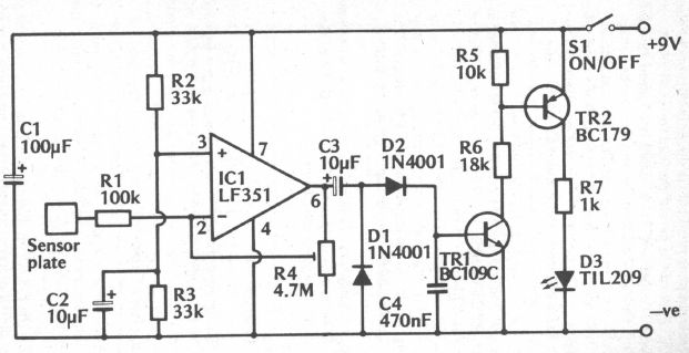
This proximity sensor was found in old documentation. The transistors can be BC548 or BC558 for the PNP and the op amp supports an equivalent.

This proximity sensor was found in old documentation. The transistors can be BC548 or BC558 for the PNP and the op amp supports an equivalent.
