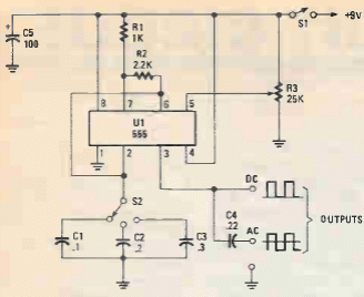
This oscillator with different outputs has frequencies selected by the S2 switch in 3 bands. We found it in a Popular Electronics from 1992.

This oscillator with different outputs has frequencies selected by the S2 switch in 3 bands. We found it in a Popular Electronics from 1992.
