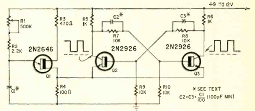
In this circuit, a unijunction transistor controls a multivibrator providing a rectangular signal with a frequency given by the adjustment of P1 and C1. The circuit is from a Radio Electronics from July 1968.
In this circuit, a unijunction transistor controls a multivibrator providing a rectangular signal with a frequency given by the adjustment of P1 and C1. The circuit is from a Radio Electronics from July 1968.