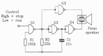
This circuit generates signals that depend on resistors and capacitor, producing a tone in a piezoelectric transducer. The oscillator is controlled by logic levels.

This circuit generates signals that depend on resistors and capacitor, producing a tone in a piezoelectric transducer. The oscillator is controlled by logic levels.
