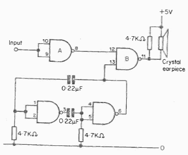
This circuit provides an audible signal in a crystal transducer. The circuit is controlled by an input TTL signal. It must be powered by 5V.

This circuit provides an audible signal in a crystal transducer. The circuit is controlled by an input TTL signal. It must be powered by 5V.
