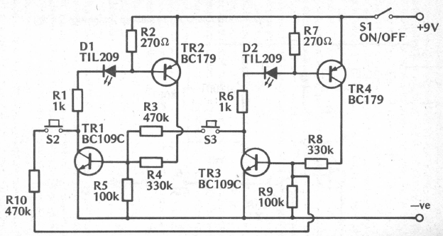
This circuit was found in old documentation. Transistors can be BC548. The LEDs are the same.
This circuit allows you to superimpose the signal from the microphone to that of the music with...
September 2017 - This new integrated circuit, which facilitates the design of PWM dimmers, can now be...
This circuit was found in a 1987 edition of the United States' Hands-On Electronics magazine. The...