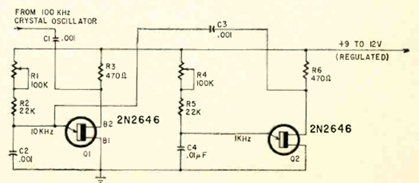
This unijunction transistor circuit is a frequency divider synchronized to 100 kHz. The circuit was found in a Radio Electronics from July 1968. The adjustment of R4 is important.
This circuit allows you to superimpose the signal from the microphone to that of the music with...
September 2017 - This new integrated circuit, which facilitates the design of PWM dimmers, can now be...
This circuit was found in a 1987 edition of the United States' Hands-On Electronics magazine. The...