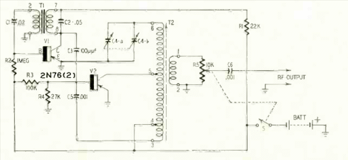
This simple signal generator with transistors was published in Radio Electronics magazine in November 1957. The circuit generates signals determined by the coil and modulation by the transformer.
This circuit allows you to superimpose the signal from the microphone to that of the music with...
September 2017 - This new integrated circuit, which facilitates the design of PWM dimmers, can now be...
This circuit was found in a 1987 edition of the United States' Hands-On Electronics magazine. The...