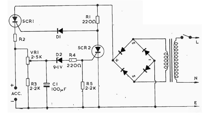
This loader has configuration already explored in other articles on the site. This is from an old English publication. The SCRs can be the TIC106, and the transformer has a secondary of 12 V x 5 A.
This loader has configuration already explored in other articles on the site. This is from an old English publication. The SCRs can be the TIC106, and the transformer has a secondary of 12 V x 5 A.