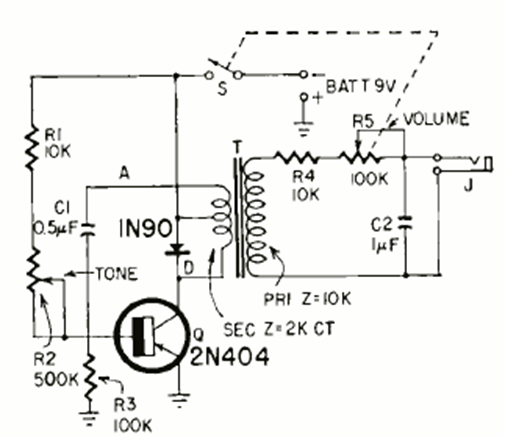
This 1-transistor Hartley oscillator generates an audio signal that is dependent on capacitor C1. The circuit is from an August 1969 Radio Electronics magazine. Any general-purpose PNP transistor can be used.

This 1-transistor Hartley oscillator generates an audio signal that is dependent on capacitor C1. The circuit is from an August 1969 Radio Electronics magazine. Any general-purpose PNP transistor can be used.
