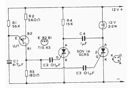
This alternating flip-flop has a configuration explored in other articles on this site. The frequency is basically given by C1 and the unijunction can be 2N2646 as well.

This alternating flip-flop has a configuration explored in other articles on this site. The frequency is basically given by C1 and the unijunction can be 2N2646 as well.
