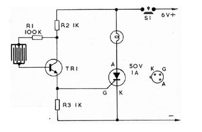
This sensitive circuit was found in old documentation. The SCR can be any of the 106 series and the transistor a BC548.
Found in 1967 Raytheon documentation, this circuit uses a company coupler consisting of a lamp and...
In a modern version this circuit can use an LED in series with a resistor in place of the lamp. The...
This circuit, when triggered, locks, and remains so until the source is switched off for a moment or...