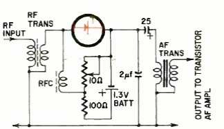
We found this circuit in the Radio Electronics magazine of November 1952. The circuit has bias adjustment and is supplied with only 1.5 V.

We found this circuit in the Radio Electronics magazine of November 1952. The circuit has bias adjustment and is supplied with only 1.5 V.
