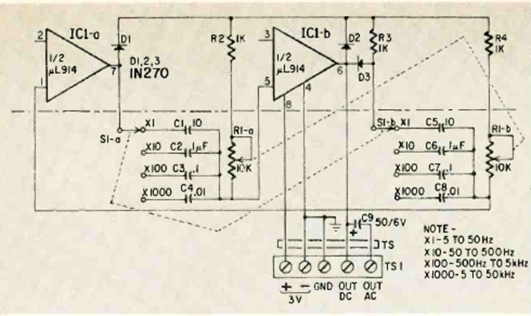
Integrated signal generator appeared in Radio Electronics magazine in January 1968. The integrated circuits are from the time and the generator produces signals from 5 Hz to 50 kHz.
This circuit was found in February 1976, Radio Electronics magazine. The circuit is powered by 12 V...
This circuit was obtained in a 1973 publication, being implemented with TTL technology. The...
Found in a 1969 documentation on neon lamps, it actually takes advantage of the durability of the neon...