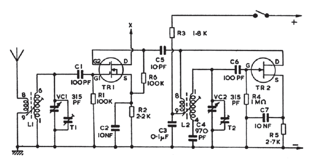
We found this circuit in an old English documentation. Transistors support modern equivalents. The circuit converts signals in the 5 to 15 MHz band for tuning into a common medium wave radio.
This circuit was found in February 1976, Radio Electronics magazine. The circuit is powered by 12 V...
This circuit was obtained in a 1973 publication, being implemented with TTL technology. The...
Found in a 1969 documentation on neon lamps, it actually takes advantage of the durability of the neon...