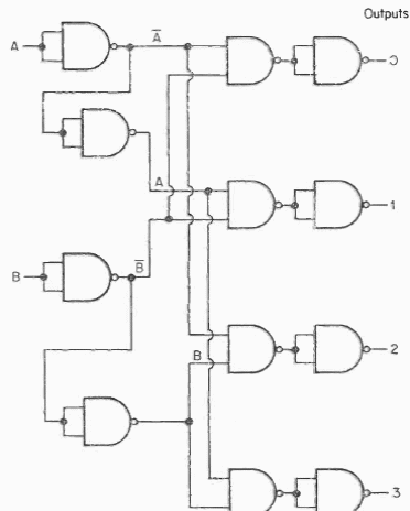
This circuit decodes a two-bit value into four outputs (one of four). The circuit must be powered by a voltage of 5 V.
This circuit was found in February 1976, Radio Electronics magazine. The circuit is powered by 12 V...
This circuit was obtained in a 1973 publication, being implemented with TTL technology. The...
Found in a 1969 documentation on neon lamps, it actually takes advantage of the durability of the neon...