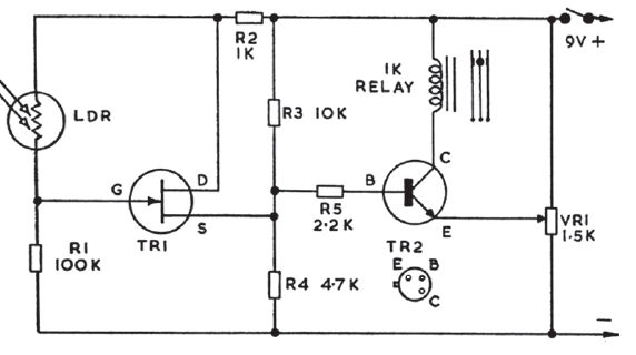
Based on a JFET, this sensitive light relay was found in old English documentation. The supply voltage between 6 and 12 V must be according to the relay used.

Based on a JFET, this sensitive light relay was found in old English documentation. The supply voltage between 6 and 12 V must be according to the relay used.
