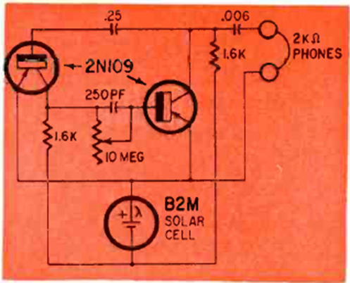
This circuit has a frequency control. We found it in a Radio Electronics from January 1965. The phone is high impedance, and the transistors are old germanium types.

This circuit has a frequency control. We found it in a Radio Electronics from January 1965. The phone is high impedance, and the transistors are old germanium types.
