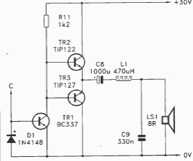
This circuit is an alternative to using Darlington power transistors in the previous amplifier. The power is a few watts.
This circuit was found in February 1976, Radio Electronics magazine. The circuit is powered by 12 V...
This circuit was obtained in a 1973 publication, being implemented with TTL technology. The...
Found in a 1969 documentation on neon lamps, it actually takes advantage of the durability of the neon...