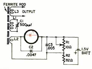
This amplifier circuit is from a 1952 documentation. The frequency of the amplifier signal depends on the coils. Note the low supply voltage.

This amplifier circuit is from a 1952 documentation. The frequency of the amplifier signal depends on the coils. Note the low supply voltage.
