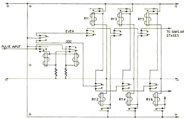
This interesting digital counter with relays with complementary outputs was found in the Radio Electronics magazine of October 1961. The supply voltage is in accordance with the relays used.
The original frequency of the Pierce Oscillator with bipolar transistor is given by the crystal, which...
Of course, the design indicates a specific application for a touch switch. Thus, analyzing the...
This circuit converts signals from the 350 to 500 kHz band to the 4.36 to 4.5 MHz band, enabling...