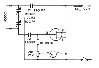
This field-effect transistor version of a grid dip meter was found in old documentation. The JFET can be any general purpose and the instrument must have 50 to uA to 1 mA of full scale.

This field-effect transistor version of a grid dip meter was found in old documentation. The JFET can be any general purpose and the instrument must have 50 to uA to 1 mA of full scale.
