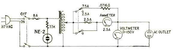
This is a simple variac type source found in the July 1962 Radio Electronics magazine. Voltage and current depend on the transformer.

This is a simple variac type source found in the July 1962 Radio Electronics magazine. Voltage and current depend on the transformer.
