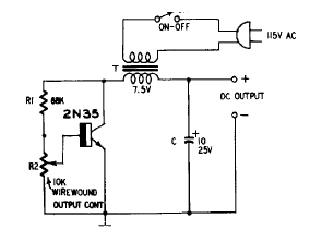
This small unregulated variable power supply was found in an American book from the 60's. The transistor determines the maximum current of the supply. In this case it is around 250 mA.

This small unregulated variable power supply was found in an American book from the 60's. The transistor determines the maximum current of the supply. In this case it is around 250 mA.
