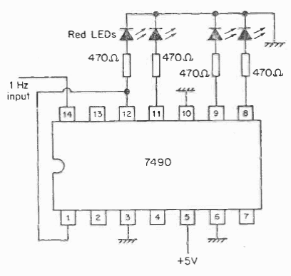
This circuit counts 1 per second, displaying the value in binary. The circuit is TTL and must be powered with a 5V power supply.

This circuit counts 1 per second, displaying the value in binary. The circuit is TTL and must be powered with a 5V power supply.
