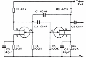
This circuit generates signals whose frequency depends on C1 and C2. JFETs are common types like BF245 or MPF102.
This transmitter, indicated for espionage applications, is permanently powered by the power grid....
The maximum frequency of the oscillator shown in figure 10 is on the order of 5 MHz, depending on the...
This circuit was found in the SGS manual of linear integrated circuits of 1982. The integrated circuit...