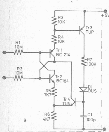
This sensitive circuit was found in old English documentation. Transistors may be modern equivalents. The output can be done by the TR3 collector.

This sensitive circuit was found in old English documentation. Transistors may be modern equivalents. The output can be done by the TR3 collector.
