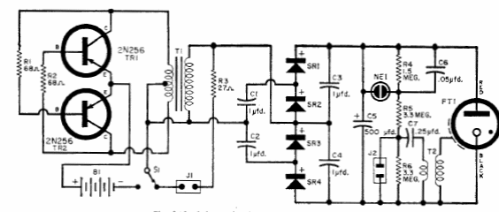
This circuit uses a special 1950's RCA strobe tube. It can be built with equivalent components for the rest of the circuit.
The 50 kHz signal generated by this circuit is applied to a low impedance inductive transducer. A...
This circuit can also use other series operational amplifiers such as MC33172, MC33174, MC35171,...
This circuit was found in an Analog Devices publication from the 1990s. The circuit performs input...