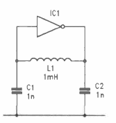
This is the basic configuration of a Colpitts LC oscillator using a CMOS gate.
The 50 kHz signal generated by this circuit is applied to a low impedance inductive transducer. A...
This circuit can also use other series operational amplifiers such as MC33172, MC33174, MC35171,...
This circuit was found in an Analog Devices publication from the 1990s. The circuit performs input...