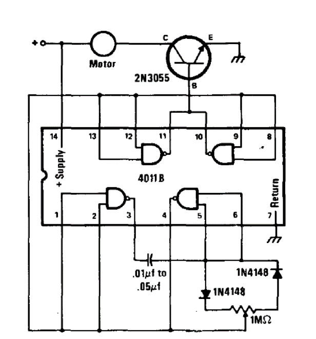
This PWM circuit was found in an American publication from 1978. It consists of a simple control that can control motors from 3 to 12 V with currents up to about 3 A. The transistor must be equipped with a heat radiator, if the current of the motor is greater than 1 A. The circuit can be adapted to operate as a control shield. Lower current transistors can be used, depending on the motor, such as BD135, TIP31, etc.




