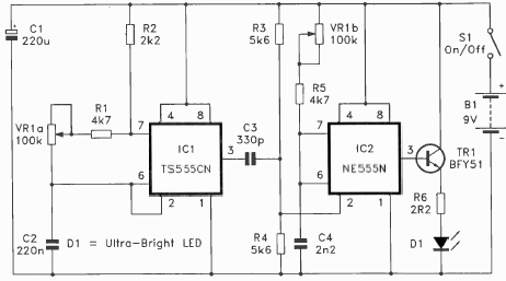
We found this circuit in an English documentation from 1995. The components used are common nowadays. The power transistor admits equivalent. R6 depends on the current of the LED.

We found this circuit in an English documentation from 1995. The components used are common nowadays. The power transistor admits equivalent. R6 depends on the current of the LED.
