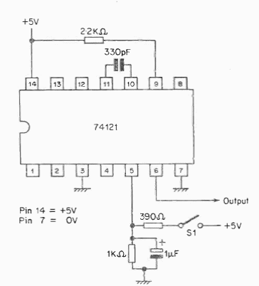
This TTL circuit must be powered by a voltage of 5 V. The circuit provides pulses of 1 microsecond, but this value can be changed by changing the 330-pF capacitor.

This TTL circuit must be powered by a voltage of 5 V. The circuit provides pulses of 1 microsecond, but this value can be changed by changing the 330-pF capacitor.
