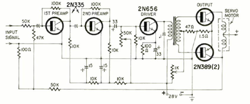
This circuit is from a Radio Electronics from July 1965. The circuit uses components from the time also controlling a servo from the time. The power supply is 28 V.
This simple circuit was found in an English magazine that no longer exists, January 1970 issue. It is...
We found this circuit in a 1977 National Semiconductor audio manual. The integrated circuit is the...
This circuit was obtained in a Popular Electronics of the 90s. It against a kitchen hood based on...