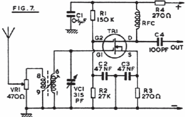
Intended for amplification of signals in the 1.7 MHz to 1 30 MHz range, this circuit uses a dual gate MOSFET. We found it in old English documentation.

Intended for amplification of signals in the 1.7 MHz to 1 30 MHz range, this circuit uses a dual gate MOSFET. We found it in old English documentation.
