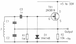
This Colpitts oscillator with JFET has the amplitude of the signals stabilized by a diode. The circuit is from an English documentation from the 90s.

This Colpitts oscillator with JFET has the amplitude of the signals stabilized by a diode. The circuit is from an English documentation from the 90s.
