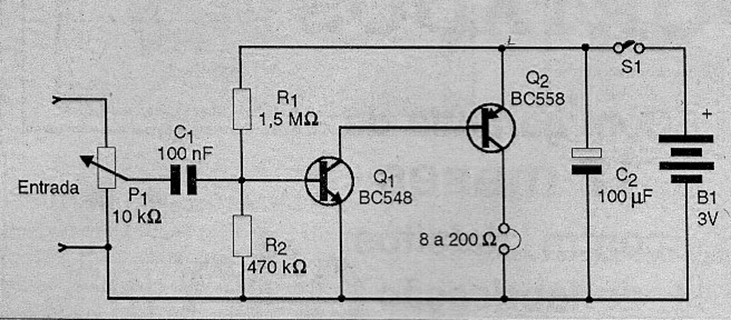
We can use this amplifier with low impedance headphones with good performance. Possible applications for this circuit range from signal trackers and experimental radios to a simple stethoscope. The resistors are 1/8 W and power can be supplied with just two small batteries.




