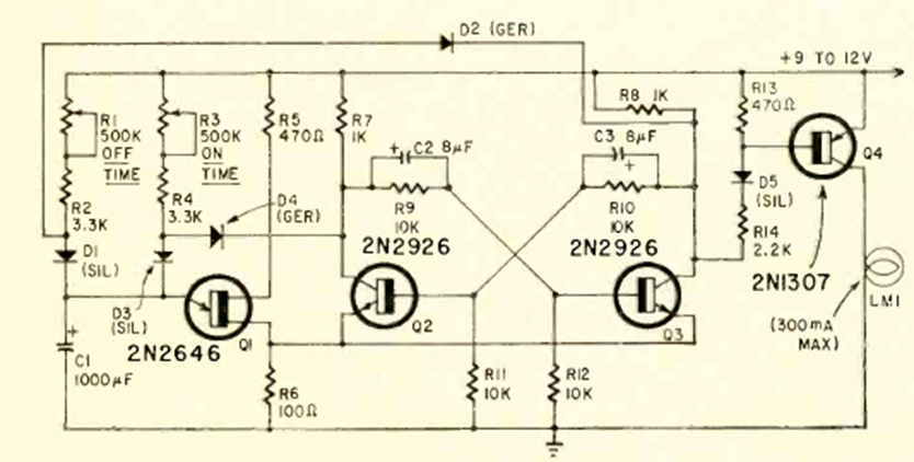
This flasher for incandescent lamps was found in Radio Electronics magazine from July 1968. The frequency and duration of the pulses are adjusted in R1 and R3 depending also on C1.
This circuit with 10 MHz and 1.25 MHz TTL outputs was found in an American documentation from the...
We found this circuit for vocal effects in the September 1990 issue of Radio Electronics magazine. The...
This is a voltmeter with high input resistance. The transistor is germanium. We found it in an...