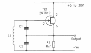
This ultra-simple circuit has the frequency determined by the LC network. Any general purpose JFET can be used.
This circuit with 10 MHz and 1.25 MHz TTL outputs was found in an American documentation from the...
We found this circuit for vocal effects in the September 1990 issue of Radio Electronics magazine. The...
This is a voltmeter with high input resistance. The transistor is germanium. We found it in an...