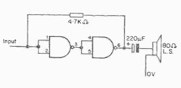
This simple TTL digital amplifier uses NAND gates and a high impedance speaker.
This sequential light effect was obtained in a 1992 documentation, but it can be easily assembled...
This simple Hartley circuit can generate two tones depending on the adjustment of the trimpots. The...
This 2.5 A power supply was found in a 90's QST magazine. The power transistor must be mounted on a...