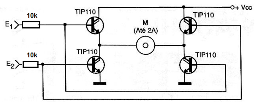
A bridge with greater sensitivity and, therefore, lower consumption for the microcontroller outputs is shown below, making use of Darlington transistors. This bridge has 4 possible states, 00 for the motor stopped, 01 and 10 for both directions of rotation and the prohibited state 11 which leads all transistors to conduction and thus a short circuit situation. Transistors must be equipped with heat sinks. The separate power supply for the motors can be between 3 and 15 V.




