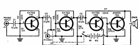
Using old germanium transistors like the CK722, this circuit has good gain. We found it in a publication from the 50s.
This sequential light effect was obtained in a 1992 documentation, but it can be easily assembled...
This simple Hartley circuit can generate two tones depending on the adjustment of the trimpots. The...
This 2.5 A power supply was found in a 90's QST magazine. The power transistor must be mounted on a...